2018年3月23日,北京市住房和城乡建设委员会 、北京市规划和国土资源管理委员会、北京市质量技术监督局3部门印发《关于加强装配式混凝土建筑工程设计施工质量全过程管控的通知》,进一步落实质量主体责任,强化关键环节管控,加强设计与施工有效衔接,全面提升我市装配式混凝土建筑工程质量水平。
文件结合北京市具体实际,提出了相关要求:
一、明确建设单位和工程总承包单位的质量责任
(一)本市装配式建筑项目原则上应采用工程总承包模式,建设单位应将项目的设计、施工、采购一并进行发包,并与工程总承包单位签订建设工程合同。建设单位应当履行支付相应工程价款的基本义务,并依法对建设工程质量负责,加强工程总承包项目的全过程管理。
(二)工程总承包单位应当履行按质按期进行工程建设的基本义务,对其承包工程的设计、施工、采购等全部建设工程质量负责。工程总承包单位应当根据法律法规、建设工程强制性标准、建设工程设计深度要求、合同约定等进行建设工程设计,并按照审查通过的施工图设计文件和施工技术标准施工,保证工程质量,同时按照法律法规规定承担质量保修责任。
禁止工程总承包单位允许其他单位或者个人以本单位的名义承揽工程。禁止工程总承包单位通过挂靠方式,以其他单位名义承揽工程。不得转包或者违法分包工程。
(三)工程总承包单位应具有与工程建设规模和复杂程度相适应的项目设计管理、采购管理、施工组织管理等专业技术能力和综合管理能力。工程总承包单位应当按照工程建设规模和技术要求设立工程总承包项目管理机构,设置设计、施工、技术、质量、安全、造价、设备和材料等主要管理部门及岗位,配备工程总承包项目经理及相应管理人员,全面负责设计、施工、采购的综合协调和统筹安排。工程总承包项目经理应按照法律、法规和有关规定,对建设工程的设计、施工、采购、质量、安全等负责。
二、推广建筑信息模型(BIM)技术在设计施工全过程应用
(一)本市行政区域内由政府投资的装配式混凝土建筑项目应全过程应用建筑信息模型(以下简称BIM)技术。其他装配式建筑项目鼓励采用BIM技术。建设单位应在招标文件及建设工程合同中明确工程总承包单位(未实行工程总承包项目的设计、施工单位)在设计、构件生产、施工阶段应用BIM技术的具体要求,包括BIM技术应用目标、应用范围、应用内容、参建单位BIM应用能力、信息交换标准和要求、人员配备等内容,并给予相应的费用保障。
(二)工程总承包单位或未实行工程总承包项目的建设单位负责项目BIM技术应用的组织、策划和具体实施,确定设计、施工装配、构件生产等阶段BIM应用目标和内容,统筹协调项目各阶段的BIM模型创建、应用、管理以及各参与方的数据交换与交付,推进建设各环节实施信息共享、有效传递和协同工作。
(三)工程总承包单位或未实行工程总承包项目的设计单位(以下简称设计单位)应建立包括建筑、结构、内装、给排水、暖通空调、电气设备、消防等多专业信息的设计BIM模型,并为后续的深化设计、构件生产、施工装配等阶段提供必要的设计信息。工程总承包单位或未实行工程总承包项目的施工图深化设计单位应在设计BIM模型基础上,考虑构件生产、吊装、运输、施工装配等要求,形成深化设计BIM模型,并为后续的构件生产、施工装配等阶段提供必要的信息。
(四)预制混凝土构件生产单位应在深化设计BIM模型基础上,完成构件生产详图制作,对构件的外轮廓及节点构造、配筋、预留预埋、吊点等关键部位质量进行管控,并将质量管控等关键信息附加或关联到深化设计BIM模型上,形成预制生产BIM模型,并为后续的施工装配阶段提供必要的信息。
(五)工程总承包单位或未实行工程总承包项目的施工单位(以下简称施工单位)应在预制生产BIM模型基础上,通过附加或关联施工信息形成施工BIM模型,建立基于BIM模型的施工管理模式和协同工作机制,并加强在设计变更、施工组织设计、施工技术交底、施工项目管理等关键环节的应用,逐步实现基于BIM的竣工验收与交付。
三、提升设计质量水平
(一)建设单位应按照《北京市装配式建筑项目设计管理办法》以及相关工程建设标准规范和要求组织开展工程设计、技术方案专家评审和施工图审查等工作。
(二)施工图设计文件的设计深度应符合《建筑工程设计文件编制深度规定》以及我市装配式建筑相关技术要求。施工图设计应以交付全装修建筑产品为目标,满足建筑主体和全装修施工需要。设计合同对设计文件编制深度另有要求的,设计文件应同时满足设计合同要求。
(三)施工图审查机构应依据《北京市装配式混凝土建筑工程施工图设计文件技术审查要点》等国家和本市相关规范或规定对装配式混凝土结构工程施工图设计文件进行审查。施工图设计文件审查合格后,方可向建设单位出具施工图审查合格书。施工图设计文件变更涉及装配式建筑结构体系等重大变更的,建设单位应按照规定重新报原审查机构审查。
(四)工程总承包单位负责施工图深化设计工作,应根据审查合格的施工图设计文件对混凝土预制构件装配、连接节点、施工吊装、临时支撑与固定、混凝土预制构件生产、预留预埋,以及构件脱模、翻转、吊装、堆放等进行深化设计。未实行工程总承包的项目,建设单位应在建设工程合同中明确施工图深化设计单位,深化设计应由具有相应资质的单位完成或经原设计单位签字确认。
(五)设计人员应加强建设全过程的指导和服务,为施工、预制混凝土构件生产等环节提供技术支撑和技术指导,参与有关结构安全、主要使用功能质量问题的原因分析,以及制定相应技术处理方案。
四、强化施工过程质量管控
(一)工程总承包单位或施工单位应当组织对施工组织设计进行专家评审,重点审查施工组织设计中技术方案可靠性、安全性、可行性,包括技术措施、质量安全保证措施、验收标准、工期合理性等内容,并形成专家意见。施工组织设计发生重大变更的,应按照规定重新组织专家评审。
(二)施工组织设计评审专家组应当由结构设计、施工、预制混凝土构件生产(混凝土制品)、机电安装、装饰装修等领域的专家组成,成员人数应当为5人以上单数,其中北京市装配式建筑专家委员会成员应不少于专家组人数的3/5,结构设计、施工、预制混凝土构件生产(混凝土制品)专业的专家各不少于1名。建设、工程总承包(未实行工程总承包项目的设计、施工单位)、监理以及预制混凝土构件生产等相关单位应当参加。
(三)装配式混凝土建筑施工应执行《装配式混凝土建筑技术标准》(GB/T51231)、《装配式混凝土结构技术规程》(JGJ1)、《钢筋套筒灌浆连接应用技术规程》(JGJ355)《钢筋机械连接技术规程》(JGJ107)、《装配式混凝土结构工程施工与质量验收规程》(DB11/T 1030)、《预制混凝土构件质量检验标准》(DB11/T 968)、《混凝土预制构件质量控制标准》(DB11/T 1312)、《钢筋套筒灌浆连接技术规程》(DB11/T 1470)、《建筑预制构件接缝防水施工技术规程》(DB11/T 1447)等现行国家、行业、地方标准及相关文件规定。
(四)工程总承包单位或施工单位在施工阶段应加强预制混凝土构件进场验收。工程总承包单位或施工单位应对预制混凝土构件的标识、外观质量、尺寸偏差以及钢筋灌浆套筒的预留位置、套筒内杂质、注浆孔通透性等进行检查,核查相关质量证明文件,并按照《混凝土结构工程施工质量验收规范》(GB50204)等规定进行结构性能检验。
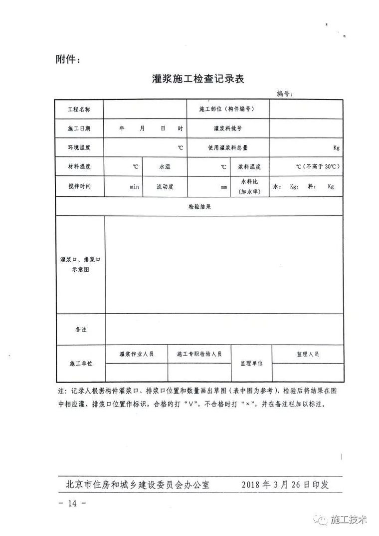
(五)工程总承包单位或施工单位应加强套筒灌浆连接质量控制。灌浆前,应在施工专职检验人员及监理人员的见证下,模拟施工条件制作相应数量的平行试件,进行抗拉强度检验,并经检验合格后方可进行灌浆施工。灌浆操作全过程应由施工专职检验人员及监理人员负责现场监督,留存灌浆施工检查记录(检查记录表格详见附件)及影像资料。灌浆施工检查记录应经灌浆作业人员、施工专职检验人员及监理人员共同签字确认。影像资料应包括灌浆作业人员、施工专职检验人员及监理人员同时在场记录。建设单位、工程总承包单位或施工单位应组织相关参建单位对灌浆施工工序进行抽查,并形成检查记录。
(六)建立预制混凝土构件现场安装首段验收制度。工程总承包单位或施工单位应选择有代表性的施工段进行预制构件安装,由建设单位组织工程总承包(未实行工程总承包项目的设计、施工单位)、监理和预制混凝土构件生产单位对其质量进行验收,包括对外观质量、位置尺寸偏差、连接质量、接缝防水施工质量、预留预埋件等方面进行检查,形成验收记录。
(七)工程总承包单位或施工单位应加强预制混凝土构件安装、预制混凝土构件与现浇结构连接节点、预制混凝土构件之间连接节点的施工质量管理,并加强预制外墙板接缝处、预制外墙板和现浇墙体相交处、预制外墙板预留孔洞处等细部防水和保温的质量控制。当连接钢筋位置存在严重偏差影响预制混凝土构件安装时,应会同设计人员制定专项处理方案,严禁随意切割、调整受力钢筋和定位钢筋。设备与管线施工前,工程总承包单位或施工单位应对结构构件预埋套管及预留孔洞的尺寸、位置进行复核,合格后方可施工。
(八)工程总承包单位或施工单位应根据装配式建筑一体化设计、建造要求,落实装修施工组织设计,有效衔接主体结构与内装修工序,重点加强管线综合、部品集成管控。
(九)建设单位应在工程主体结构验收前,组织工程总承包(未实行工程总承包项目的设计、施工单位)、监理等单位进行装配式建筑预制率验收,形成装配式建筑预制率验收表;在竣工验收阶段组织工程总承包(未实行工程总承包项目的设计、施工单位)、监理等单位进行装配式建筑装配率验收,形成装配式建筑装配率验收表,并将装配式建筑实施情况纳入工程竣工验收报告。
(十)工程总承包单位或施工单位应当按照规定对隐蔽工程、检验批、分项、分部和单位工程进行质量自检,并负责组织、协调各分包单位参与建设单位组织的单位工程质量竣工验收和工程竣工验收。项目总监理工程师应组织工程总承包(未实行工程总承包项目的设计、施工单位)、预制混凝土构件生产等单位相关人员参与主体结构分部工程验收。在永久性标识中应当增加工程总承包单位、预制混凝土构件生产单位及工程总承包单位项目经理信息。
(十一)监理单位应根据装配式混凝土结构工程特点编制监理实施细则,加强对预制混凝土构件进场检验的审查,严格灌(座)浆料、灌浆套筒连接接头、灌(座)浆料抗压强度试块的见证取样和送检,以及加强对预制混凝土构件安装和灌浆套筒连接的灌浆过程的旁站。
五、加强预制混凝土构件生产环节质量管控
(一)预制混凝土构件生产单位应对其生产的产品质量负责。应按照《装配式混凝土建筑技术标准》(GB/T51231)等要求,加强对原材料检验、生产过程质量管理、产品出厂检验及运输等环节控制,执行合同约定的预制混凝土构件技术指标和供货要求,确保预制混凝土构件产品质量。
1.预制混凝土构件生产单位应加强原材料质量管理。应当依据设计文件、技术标准及合同的要求,对进场的原材料进行复验,合格后方可使用。水泥、钢筋、钢筋连接接头、钢筋灌浆套筒连接接头、保温材料、28d混凝土标养试件实施见证取样和送检,比例不得低于有关技术标准中规定应取样数量的30%。
2.预制混凝土构件生产单位试验室应按照《预制混凝土构件质量控制标准》(DB11/T1312)《建设工程检测试验管理规程》(DB11/T386)等标准开展试验工作,应对出具的试验报告的真实性、准确性、合法性负责。不得篡改检测试验数据、伪造检测试验报告和抽撤不合格检测试验报告。试验室不具备能力的检验项目,应委托取得相应检测资质的第三方工程质量检测机构进行试验。
3.预制混凝土构件生产单位应加强钢筋加工、钢筋连接、钢筋骨架和钢筋网片的质量控制。预制混凝土构件生产单位应依据相关技术标准进行混凝土配合比设计,并严格按照配合比通知单进行生产,确保混凝土质量。混凝土浇筑前应进行预制混凝土构件的隐蔽工程验收,形成隐蔽验收记录并留存影像资料。
4.夹心保温外墙板应进行传热系数检测,检测数量为同一项目、同一构造、同一材料、同一工艺,在监理的见证下制作不少于1个夹心保温外墙板试件。
5.预制混凝土构件生产单位应做好预制混凝土构件外观质量、尺寸偏差、结构性能的出厂检验工作,检验合格的预制混凝土构件应按照规定进行标识并出具质量证明文件。鼓励预制混凝土构件生产单位采用植入芯片或粘贴二维码等电子信息标注技术标识预制混凝土构件产品信息。
6.鼓励预制混凝土构件生产单位建立信息化管理系统,实现预制混凝土构件生产、质量控制全过程的质量责任可追溯。
(二)预制混凝土构件生产单位生产的同类型首个预制混凝土构件,建设单位应组织工程总承包(未实行工程总承包项目的设计、施工单位)、监理、预制混凝土构件生产单位进行验收,合格后方可进行批量生产。
(三)按照“谁采购、谁负责”的原则,采购单位应当对采购的预制混凝土构件质量负总责。在采购合同中,应当明确采购方、供应方的质量责任,以及预制混凝土构件生产过程管控、原材料进场验收标准、出厂验收标准、运输要求、提供的技术资料等内容。采购的预制混凝土构件等装配式建筑部品,应按照规定进行采购信息填报。
(四)工程总承包单位(施工单位)、监理单位应对钢筋隐蔽验收、混凝土生产、混凝土浇筑、原材料检测、出厂质量验收等关键环节进行驻厂监造、旁站监理。建设单位应在工程总承包合同(未实行工程总承包项目的施工合同)、监理合同中分别明确驻厂监造、旁站监理的相关责任、义务和相关费用。
六、加强设计和施工作业人员培训
(一)工程总承包单位或设计单位应组织设计人员积极参与主管部门、行业协会、企业内部的培训活动,提升设计人员装配式建筑设计理论水平和全产业链统筹把握能力。
(二)健全装配式建筑工人岗前培训、岗位技能培训制度,将装配式建筑相关内容纳入建筑行业专业技术人员继续教育范围。工程总承包单位或施工单位应组织构件装配工、灌浆工、预埋工等作业人员进行专项培训。作业人员经培训考核合格后,方可从事装配式建筑施工。
(三)培训机构应当对培训质量负责,严格依据职业技能标准,对构件装配工、构件制作工、灌浆工、预埋工进行职业道德、理论知识和操作技能培训。
(四)鼓励工程总承包和施工企业自主培育和吸收一批专业技术能力强的构件装配工、灌浆工、预埋工,建立稳定的自有装配式建筑工人队伍,提高装配式建筑施工技术水平。
七、加强装配式混凝土建筑工程质量监管
(一)市、区规划国土主管部门应负责装配式混凝土建筑项目设计和施工图审查情况的监督管理。
(二)市、区质监部门依据法律、法规、国家标准和行业标准对本市生产环节的建筑材料、建筑构配件开展产品质量监督抽查。
(三)市、区住房城乡建设主管部门应按照职责分工负责全市装配式混凝土建筑项目的施工质量监管,加强对装配式混凝土建筑工程项目的监督执法检查。市住房城乡建设主管部门负责制定相关政策文件,建立预制混凝土构件生产单位负面清单制度和牵头建立全市装配式建筑基础信息库。各区住房城乡建设主管部门应负责行政区域内装配式混凝土建筑项目的施工质量监管,以及项目所涉及预制混凝土构件生产单位违法违规行为的监督检查。违反本通知规定的,应责令改正,并记入企业资质及人员资格动态监督管理信息系统。
(四)市区规划国土主管部门、质监部门与住房城乡建设主管部门之间应加强有效联动,建立装配式建筑信息从规划到建设过程中信息交流共享、联合监督执法、线索移送移交机制,形成监管合力。
八、本通知自2018年4月1日起施行。《关于加强装配式混凝土结构产业化住宅工程质量管理的通知》(京建法〔2014〕16 号)同时废止。
实行工程总承包的项目,建设、工程总承包、监理、预制混凝土构件生产单位应严格按本规定执行。因特殊原因未实行工程总承包的项目,建设、设计、施工、监理、预制混凝土构件生产单位应结合工程进度,按现有法律法规和本通知规定执行。
附原文:













(新闻来源:中国装配式建筑网)